每个热爱技术的人,其实都是孤独的,甚至有一点清高的。他们的心永远高于自己对物质和金钱的需索。全部是因为热爱,让他们选择自己做自己。
不知他人苦,莫劝他人善,知人勿点透,责人勿说尽。按照自己喜欢的方式去生活。
读书,行走,遇见人和事,无论哪一种都可以修行,遇见更好的自己。
生命中,总有一些美好的事物,它在低谷时治愈过我们,让我们愿意倾心追寻。如行走,如书写,如编程的刀路。


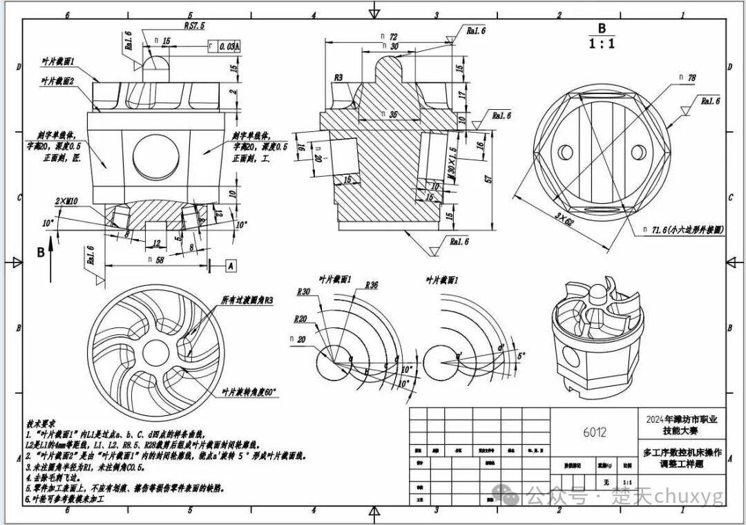
本赛题选自2024职业技能大赛多工序数控机床操作调整工赛题,编程软件为Mc2024 or UG12.0。职工及院校教师组实操题。
竞赛内容、形式和成绩计算
本次竞赛内容包括理论知识和实际操作两部分。采用单人竞赛形式,独立完成规定的工作任务。理论知识竞赛试卷满分为100分,理论知识竞赛成绩将按照30%折算计入竞赛总成绩;实际操作竞赛满分为100分,将按照70%折算计入竞赛总成绩;理论知识竞赛成绩与实际操作竞赛成绩经折算后相加得出竞赛总成绩。
(一)理论竞赛内容
竞赛时间为30分钟,命题方式是国家题库抽取与专家命题相结合,比赛前十天下发题库。
(二)实操竞赛内容
竞赛3个小时完成,提供step格式的三维数字模型,要求参赛选手使用赛场提供的机床、设备、附件、计算机、CAD/CAM软件,按照赛卷要求,完成赛件的编程与加工任务。

十二生肖之十二 羊首(高级)
十二生肖之十一 牛首(高级)
十二生肖之十 马首
十二生肖之九 鸡首
十二生肖之八 鼠首
十二生肖之七 猴首
十二生肖之六 蛇首
十二生肖之五 狗首
十二生肖之三 猪首十二生肖之三 虎首
十二生肖之二 兔首
十二生肖之一 龙首
本例图档编程在MC中完成,刀路未优化。粗加工参考毛坯,定轴加工实现。精加工智能综合刀路加定轴精加工实现。常规编程,考验现场实作能力和编程细心认真的基本功。本例要注意调头装夹的方向,不然做出来与图纸位置不符。















参考文章:
五轴精加工刀路的优化实例1
五轴编程装夹及落件(料)工艺
五轴刀轴的控制与后处理问题分析
机床模拟仿真:(略)
CIMCO 刀路验证:(略)
经常有朋友找我要五轴编程视频教程,没有时间搞这个,费脑费时,五轴刀路一般不会一次到位,刀路出来后,还要根据五轴机床的特点进行优化刀路和刀轴的,一些想学五轴编程的朋友用三轴的学习方法来学习五轴编程,或没有五轴上机的机会来学习多轴编程,没有上升的空间。有时候,你想要的图档往往是别人正在生产或未解密的图档,作者遵守职业道德,未解密图档不会分享。如果你在多轴编程有疑难的话,可私信联系我 ,协助你。
五轴应用大赛之振动盘3W
五轴编程之狮子
五轴编程之笔筒
四轴编程之十字圆柱清角
十二生肖之十二 羊首(高级)
十二生肖之十一 牛首(高级)
十二生肖之十 马首
十二生肖之九 鸡首
十二生肖之八 鼠首
十二生肖之七 猴首
十二生肖之六 蛇首
十二生肖之五 狗首
十二生肖之三 猪首
十二生肖之三 虎首
十二生肖之二 兔首
十二生肖之一 龙首
群友问之模具精加工一刀流
一刀流编程的误区
网纹槽编程之HM
黑神话悟空之NCG
黑神话悟空之HM
四轴桥板后处理及宏程序的运用
铼钠克Lynuc五轴编程的格式
华中HNC 848五轴编程的格式
五轴RTCP功能的含义
定制机床之BY UT-380
HM四轴桥板带宏转换后处理
五轴双转台AC轴无RTCP带宏后处理VT验证
HM五轴3+2 AC 宏转换五轴后处理
HM台群四轴机床搭建定制
HyperMILL Virtual Machine 机床的搭建
五轴对刀操作
HM四轴机床仿真模型的搭建与后处理
四轴桥板机床的搭建与仿真
3+2 轴机床的搭建与仿真
DMU65 五轴机床仿真模型的搭建
DMU50五轴机床仿真模型的搭建
高科小五轴机床仿真模型的搭建
国产小五轴机床仿真模型的搭建
MX石林精加工刀路的比较之MCHM
五轴精加工刀路的优化实例1
五轴编程装夹及落件(料)工艺
五轴刀轴的控制与后处理问题分析
HM四轴编程14 叶轮
五轴案例第三十集 锥形叶轮2
HM四轴编程13 多齿轴
MC2025四轴编程11 倒扣螺旋轴
五轴案例第三十集 锥形叶轮
五轴案例第二十九集 封闭叶轮(高级)
五轴案例第二十九集 三接管
HM四轴编程12 四轴卧加
HM四轴编程11 叶轮
五轴案例第二十八集 MC2025分流叶轮
MC2025四轴编程10
五轴案例第二十七集 叶盘(高级)
五轴案例第二十六集 封闭叶轮优化刀轴
HM四轴编程10 五环锤(高级)
五轴案例第二十五集 牛(高级)
HM四轴编程9 倒扣槽
HM四轴编程8 四环锤(高级)
HM四轴编程7 东倒西歪石林(高级)
HM四轴编程6 倒扣叶轮
五轴案例第二十四集 兔首
HM四轴编程5
HM四轴螺杆编程4
五轴案例第二十三集 鹿
倒扣螺旋槽四轴粗精编程之HM
HM四轴螺杆编程3
倒扣螺旋槽四轴粗精编程之MC
HM四轴螺杆编程2
HM四轴螺杆编程
五轴案例第二十二集 基座2
五轴案例第二十一集 叶盘2
叶盘精加工编程的三种刀路
MC四轴精加工之四环锤
五轴案例第二十集 基座2
四轴粗加工的优化
五轴案例第十九集 叶盘(高级)
五轴案例第十八集 多面体
五轴案例第十七集 瓶模
Mastercam 2025 高级旋转精修的改进
Mastercam 2025四轴粗加工的改进
五轴案例第十六集 南瓜
五轴案例第十五集 支架
五轴案例第十四集 基座(高级)
五轴案例第十三集 :异形叶轮(高级)
五轴案例第十二集 :避空保持顺铣
五轴案例第十一集 :三通管件(高级)
2024,迎接龙年
五轴案例第十集 :浮空桶(高级)
五轴案例第九集 :闭式叶轮(高级)
五轴案例第八集 :龙首(高级)
五轴案例第七集 :中国龙HM21
五轴案例第六集 :MC门把手
五轴案例第五集 :门把手
五轴案例第四集 :凸台腔体
五轴案例第三集 :CAD奖杯
五轴案例第二集 :龙头
五轴案例第一集 :善财童子
2024多轴编程之龙行龘龘
HM编程之手模型(高级)
HM 炫酷头盔(高级)
HM羽毛球
MC四轴基础教程之八 智能综合导线
MC四轴基础教程之七 智能综合导线一刀流
MC四轴基础教程之一 侧刃铣削
NCG CAM 多轴基础教程:
NCG CAM四轴案例1
NCG四轴刀轴2
NCG 四轴刀路3
NCG 四轴刀路4
NCG MC 之四轴流道编程 5
NCG定向编程与Vericut 程序验证
凸轮槽四轴编程之MC2023 NCG
NCG( TM DEPO)基础教程1
NCG(TM DEPO)基础教程 第二集
NCG(TM DEPO)基础教程 第三集
NCG(TM DEPO)基础教程 第四集
NCG(TM DEPO)基础教程 第五集
NCG(DEPO)多轴教程 第六集
NCG(DEPO)多轴教程 第七集
NCG(DEPO)多轴教程 第八集
NCG(DEPO)多轴教程 第九集
NCG(DEPO)多轴教程 第十集
NCG(DEPO)多轴教程 第十集
NCG(DEPO)多轴教程 第十一集
NCG(DEPO)多轴教程 第十二集
HM之龙首编程(高级)
HM之返回舱(高级)
NCG 19 五轴后处理及教程
HM之五轴花边体2(高级)
HM 编程之叶盘(高级)
NCG CAM 19 四轴后处理及教程
HM 编程之闭式叶轮5(高级)
HM五轴编程之闭式叶轮4
HM齐天小圣多轴刀路的转换
HM MC编程之封闭叶轮3(高级)
HM五轴编程之闭式叶轮2
HM多轴编程之微型叶轮
HM五轴编程之闭式叶轮1
HM编程之航天叶轮
HM五轴编程之航空机匣(高级)
航天机匣叶轮精加工HM编程
2W面试题之闭式叶轮编程HM
四轴刀具转换之HM再加工
花边体多轴编程之 HM MC
多轴一刀流刀路的优化
HM多轴编程之猪首
三足鼎三足刀路的比较之MC HM
HM高级编程之异形叶轮
群友问之HM四轴
HM五轴高级编程之小黄人
HM五轴高级编程之佩尔顿叶轮2
玲珑宝塔之HM
奥特曼之HM
HM五轴编程之高跟鞋2(高级)
HM五轴编程之高跟鞋1(高级)
客户定制四轴叶轮精加工之 HM MC
HM五轴高级编程之整流器
群友问之弯管精加工之HM
多叶片异形叶轮之HM(高级)
四轴螺旋槽之MC HM
群友问之HM四轴倒扣槽
MC2024五轴四联动4+1刀轴控制的方法
HM五轴高级编程之封闭风扇
奥特曼之HM MC
HM五轴高级编程之封闭叶轮
HM五轴高级编程之闭式叶轮
多轴4+1刀路的做法之MCHM
HM五轴高级编程之石油钻
HM五轴高级编程之佩尔顿叶轮
HM五轴高级编程之莲花台
HM五轴高级编程之招财兔
HM五轴高级编程之灯壳
HM五轴高级编程之三足炼丹炉
HM四轴基础三
HM四轴基础二
四轴编程之HM
五轴刀路殊途同归
MC四轴基础教程之十 多轴粗加工
MC四轴基础教程之九 多轴粗切挖槽2024
NCG CAM 19新功能
四轴倒扣斜面精加工编程之MC HM
MC五轴编程之收紧轮网纹
NCG MC 之四轴流道编程 5
NCG 四轴刀路4
四轴流道编程之MC
NCG 四轴刀路3
NCG四轴刀轴2
NCG 四轴刀路1
NCG做网红一刀流
倒扣叶盘编程之HM(高级)